

|
Model NO. |
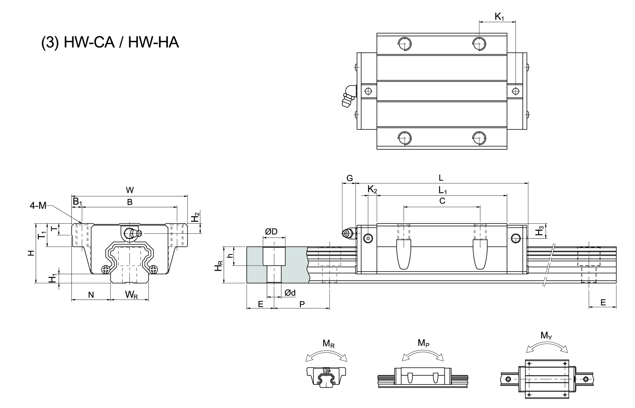
Dimensions of |
Dimensions of |
Dimensions of |
Mounting Bolt for |
Basic Dynamic Load Rating |
Basic Static Load Rating |
Static Rated Moment |
Weight |
||||||||||||||||||||||||
|
MR |
MP |
MY |
Block |
Rail |
||||||||||||||||||||||||||||
|
H |
H1 |
N |
W |
B |
B1 |
C |
L1 |
L |
K1 |
K2 |
G |
M |
T |
T1 |
H2 |
H3 |
WR |
HR |
D |
h |
d |
P |
E |
(mm) |
C(kN) |
C0(kN) |
||||||
|
HW15CA |
24 |
4.3 |
16 |
47 |
38 |
4.5 |
30 |
39.4 |
61.4 |
8 |
4.85 |
5.3 |
M5 |
6 |
8.9 |
3.95 |
3.7 |
15 |
15 |
7.5 |
5.3 |
4.5 |
60 |
20 |
M4x16 |
14.7 |
23.47 |
0.12 |
0.10 |
0.10 |
0.17 |
1.45 |
|
HW20CA |
30 |
4.6 |
21.5 |
63 |
53 |
5 |
40 |
50.5 |
77.5 |
10.25 |
6 |
12 |
M6 |
8 |
10 |
6 |
6 |
20 |
17.5 |
9.5 |
8.5 |
6 |
60 |
20 |
M5x16 |
27.1 |
36.68 |
0.27 |
0.20 |
0.20 |
0.40 |
2.21 |
|
HW20HA |
65.2 |
92.2 |
17.6 |
32.7 |
47.96 |
0.35 |
0.35 |
0.35 |
0.52 |
|||||||||||||||||||||||
|
HW25CA |
36 |
5.5 |
23.5 |
70 |
57 |
6.5 |
45 |
58 |
84 |
10.7 |
6 |
12 |
M8 |
8 |
14 |
5 |
5 |
23 |
22 |
11 |
9 |
7 |
60 |
20 |
M6x20 |
34.9 |
52.82 |
0.42 |
0.33 |
0.33 |
0.59 |
3.21 |
|
HW25HA |
78.6 |
104.6 |
21 |
42.2 |
69.07 |
0.56 |
0.57 |
0.57 |
0.80 |
|||||||||||||||||||||||
|
HW30CA |
42 |
6 |
31 |
90 |
72 |
9 |
52 |
70 |
97.4 |
14.25 |
6 |
12 |
M10 |
8.5 |
16 |
6.5 |
10.8 |
28 |
26 |
14 |
12 |
9 |
80 |
20 |
M8x25 |
48.5 |
71.87 |
0.66 |
0.53 |
0.53 |
1.09 |
4.47 |
|
HW30HA |
93 |
120.4 |
25.75 |
58.6 |
93.99 |
0.88 |
0.92 |
0.92 |
1.44 |
|||||||||||||||||||||||
|
HW35CA |
48 |
7.5 |
33 |
100 |
82 |
9 |
62 |
80 |
112.4 |
14.6 |
7 |
12 |
M10 |
10.1 |
18 |
9 |
12.6 |
34 |
29 |
14 |
12 |
9 |
80 |
20 |
M8x25 |
64.6 |
93.88 |
1.16 |
0.81 |
0.81 |
1.56 |
6.30 |
|
HW35HA |
105.8 |
138.2 |
27.5 |
77.9 |
122.77 |
1.54 |
1.40 |
1.40 |
2.06 |
|||||||||||||||||||||||
|
HW45CA |
60 |
9.5 |
37.5 |
120 |
100 |
10 |
80 |
97 |
139.4 |
13 |
10 |
12.9 |
M12 |
15.1 |
22 |
8.5 |
20.5 |
45 |
38 |
20 |
17 |
14 |
105 |
22.5 |
M12x35 |
103.8 |
146.71 |
1.98 |
1.55 |
1.55 |
2.79 |
10.41 |
|
HW45HA |
128.8 |
171.2 |
28.9 |
125.3 |
191.85 |
2.63 |
2.68 |
2.68 |
3.69 |
|||||||||||||||||||||||
|
HW55CA |
70 |
13 |
43.5 |
140 |
116 |
12 |
95 |
117.7 |
166.7 |
17.35 |
11 |
12.9 |
M14 |
17.5 |
26.5 |
12 |
19 |
53 |
44 |
23 |
20 |
16 |
120 |
30 |
M14x45 |
153.2 |
211.23 |
3.69 |
2.64 |
2.64 |
4.52 |
15.08 |
|
HW55HA |
155.8 |
204.8 |
36.4 |
184.9 |
276.23 |
4.86 |
4.57 |
4.57 |
5.96 |
|||||||||||||||||||||||
|
HW65CA |
90 |
15 |
53.5 |
170 |
142 |
14 |
110 |
144.2 |
200.2 |
23.1 |
14 |
12.9 |
M16 |
25 |
37.5 |
15 |
15 |
63 |
53 |
26 |
22 |
18 |
150 |
35 |
M16x50 |
213.2 |
287.48 |
6.65 |
4.27 |
4.27 |
9.17 |
21.18 |
|
HW65HA |
203.6 |
259.6 |
52.8 |
277.8 |
420.17 |
9.38 |
7.38 |
7.38 |
12.86 |
|||||||||||||||||||||||
| Note:1kgf = 9.81N | ||||||||||||||||||||||||||||||||








