

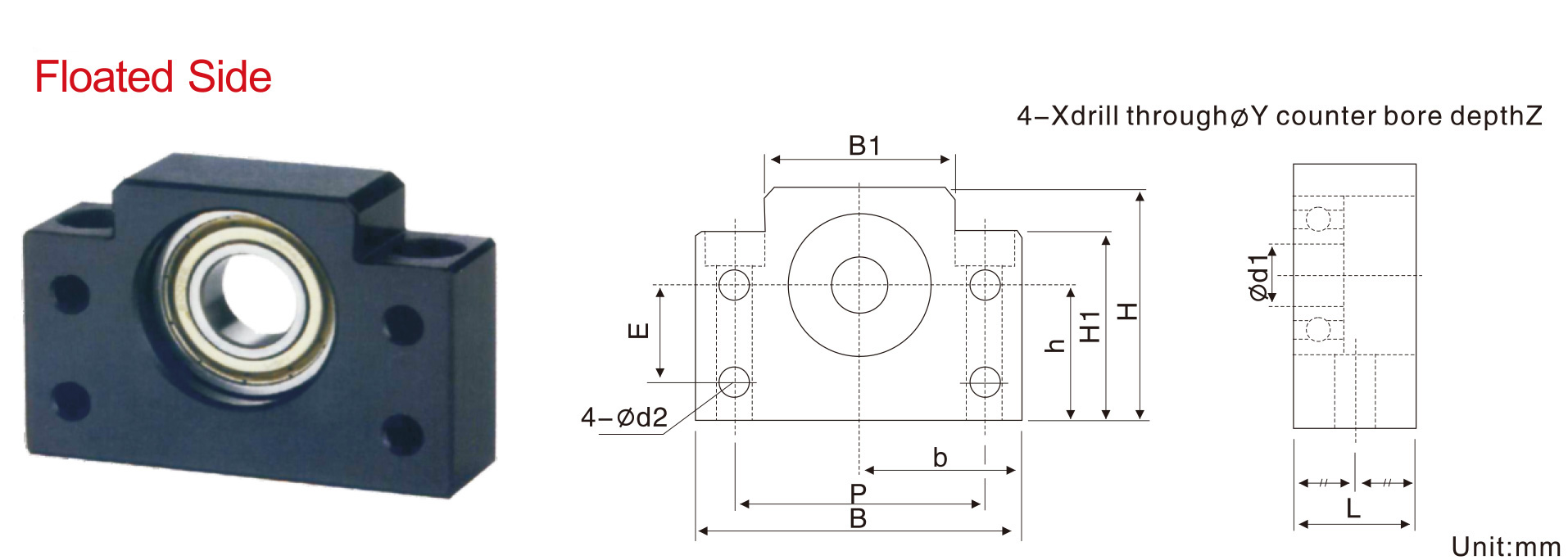
|
BF 10 |
8 |
20 |
60 |
39 |
30 |
22 |
34 |
32.5 |
15 |
46 |
5.5 |
6.6 |
10.8 |
5 |
|
BF 12 |
10 |
20 |
60 |
43 |
30 |
25 |
34 |
32.5 |
18 |
46 |
5.5 |
6.6 |
10.8 |
1.5 |
|
BF 15 |
15 |
20 |
70 |
48 |
35 |
28 |
40 |
38 |
18 |
54 |
5.5 |
6.6 |
11 |
6.5 |
|
BF 17 |
17 |
23 |
86 |
64 |
43 |
39 |
50 |
55 |
28 |
68 |
6.6 |
9 |
14 |
8.5 |
|
BF 20 |
20 |
26 |
88 |
60 |
44 |
34 |
52 |
50 |
22 |
70 |
6.6 |
9 |
14 |
8.5 |
|
BF 25 |
25 |
30 |
106 |
80 |
53 |
48 |
64 |
70 |
33 |
85 |
9 |
11 |
17.5 |
11 |
|
BF 30 |
30 |
32 |
128 |
89 |
64 |
51 |
76 |
78 |
33 |
102 |
11 |
14 |
20 |
13 |
|
BF 35 |
35 |
32 |
140 |
96 |
70 |
52 |
88 |
79 |
35 |
114 |
11 |
14 |
20 |
13 |
|
BF 40 |
40 |
37 |
160 |
110 |
80 |
60 |
100 |
90 |
37 |
130 |
14 |
18 |
26 |
17.5 |








